-
Product No.: GLD-FX002
Supplier: Shenzhen crown Tatsu electronic limited company
Click: 127
Address: Shenzhen, Baoan District Xixiang Street District 62 industrial city 4 buildings on St.
Unified national service hotline: 400-612-7088
Aluminum shell 3.7V battery 083448 1400mAh
1、产品基特性:

2、PCM规格:
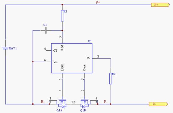
3、电气原理图:
4、附图:








